DELEKS S.r.l.
Via Industriale, 23
25028 Verolanuova (BS) Italy
Tel. 030 6585725
Mail info@deleks.com
Lun - Ven: 9.00-13.00 / 14.00-18.00
Cabezal forestal, Cizalla para mini-excavadora - 100% HARDOX
DETALLE
Cizalla taladora hidráulica y pinza DELEKS® - Producción italiana - 100% Hardox, de acero endurecido, para cortar y manipular troncos y árboles de hasta ø 10 cm.
USO
El modelo CF-10 es ideal para la tala y recolección de madera para uso energético, para la limpieza de campos y bordes de carreteras.
La pinza de corte para miniexcavadora DELEKS® CF-10 puede cortar árboles más delgados o agrupar madera con el cabezal. El cabezal tiene una poderosa cuchilla reforzada que cortará madera de forma limpia y segura.
Disponible con acoplamientos para excavadora (bajo pedido).
La pinza de corte está disponible con rotación fija o completa de 360° con rotor hidráulico para podar árboles o cortar madera caída.
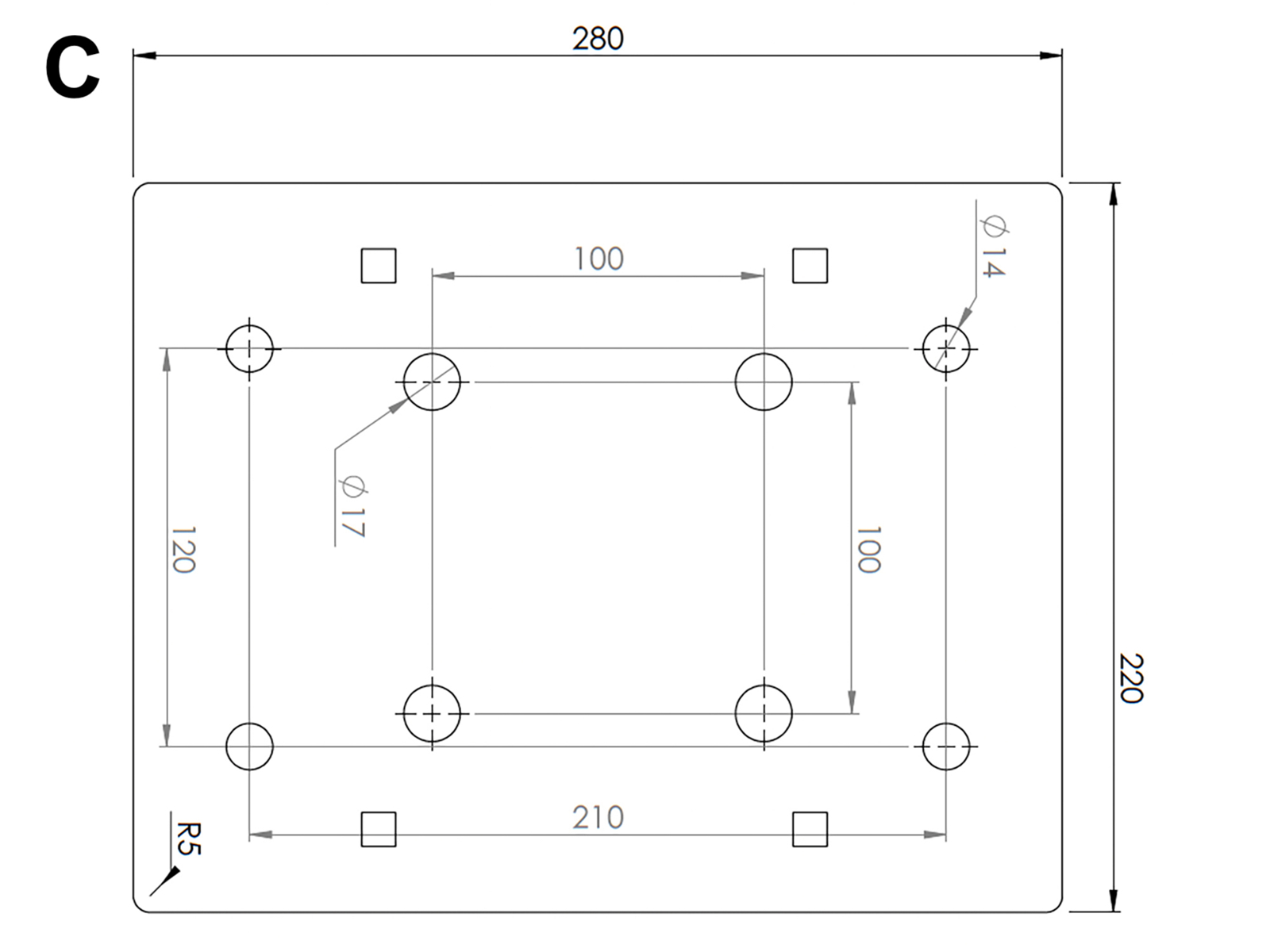
Medidas fijación placa: Ver dibujo C.
CARACTERÍSTICAS Y VENTAJAS
Hecho a 100% de HARDOX para una máxima resistencia a la torsión.
Cuchilla fabricada en Italia, endurecido 43 HRC.
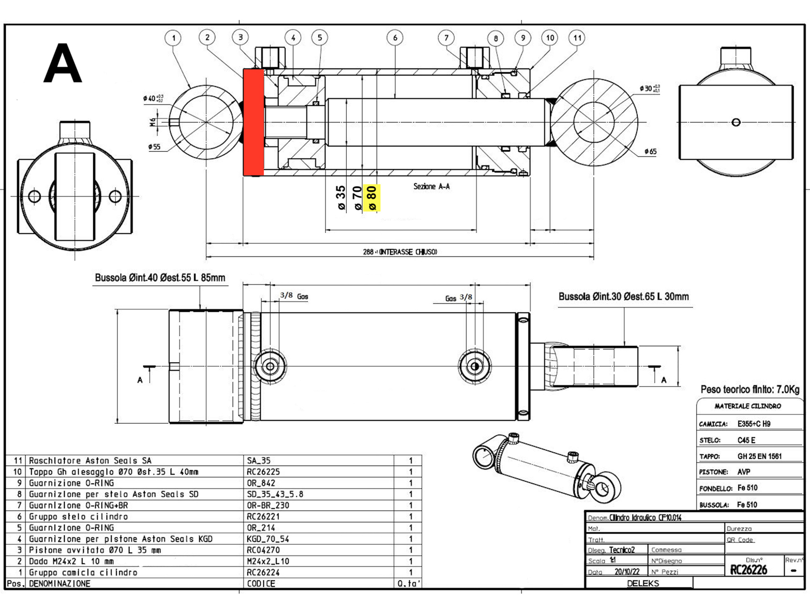
Cilindro hidráulico especialmente diseñado para este uso con fondo reforzado para cargas elevadas (ver dibujo A).
Pasadores en material especial 42CrMo4 de ø30 y ø35 mm (ver dibujo B).
Instalación y uso fácil
El modelo CF-10 es la pinza de corte más pequeña de la gama y su peso ligero permite que la miniexcavadora mantenga su capacidad.
Corta a nivel del suelo, permite cortar los tocones a baja altura.
La grapa DELEKS® CF-10 corta la madera de forma limpia y con precision en el punto deseado del nivel del suelo.
Gracias a la gran apertura de la pinza, también es fácil cortar varios árboles pequeños a la vez.
Uso 2 en 1: cortar y colectar
Si es necesario, se puede quitar la cuchilla de corte, en cuyo caso el cabezal de la grapa actúa como una pinza para troncos clásica.
Para tarifas y opciones de envío a Islas, ver más detalles
CARACTERÍSTICAS
| Características | Unidad métrica |
|---|---|
| Peso | 52.0 kg |
| Diámetro de corte máximo | 90-120 mm |
| Presión aceite min./max | 150 - 210 bar |
| Flujo optimal del aceite | 08/22 l/m |
| Apertura maximal | 540.0 mm |
| ø pistón hidraulico | 80.0 - 35.0 mm |
| Gama de excavadoras | 1.0 - 2.0 ton |
| Dimensión del embalaje | 600.0*800.0*450.0 mm |
DETALLE
CERRARCizalla taladora hidráulica y pinza DELEKS® - Producción italiana - 100% Hardox, de acero endurecido, para cortar y manipular troncos y árboles de hasta ø 10 cm.
USO
El modelo CF-10 es ideal para la tala y recolección de madera para uso energético, para la limpieza de campos y bordes de carreteras.
La pinza de corte para miniexcavadora DELEKS® CF-10 puede cortar árboles más delgados o agrupar madera con el cabezal. El cabezal tiene una poderosa cuchilla reforzada que cortará madera de forma limpia y segura.
Disponible con acoplamientos para excavadora (bajo pedido).
La pinza de corte está disponible con rotación fija o completa de 360° con rotor hidráulico para podar árboles o cortar madera caída.
Medidas fijación placa: Ver dibujo C.
CARACTERÍSTICAS Y VENTAJAS
Hecho a 100% de HARDOX para una máxima resistencia a la torsión.
Cuchilla fabricada en Italia, endurecido 43 HRC.
Cilindro hidráulico especialmente diseñado para este uso con fondo reforzado para cargas elevadas (ver dibujo A).
Pasadores en material especial 42CrMo4 de ø30 y ø35 mm (ver dibujo B).
Instalación y uso fácil
El modelo CF-10 es la pinza de corte más pequeña de la gama y su peso ligero permite que la miniexcavadora mantenga su capacidad.
Corta a nivel del suelo, permite cortar los tocones a baja altura.
La grapa DELEKS® CF-10 corta la madera de forma limpia y con precision en el punto deseado del nivel del suelo.
Gracias a la gran apertura de la pinza, también es fácil cortar varios árboles pequeños a la vez.
Uso 2 en 1: cortar y colectar
Si es necesario, se puede quitar la cuchilla de corte, en cuyo caso el cabezal de la grapa actúa como una pinza para troncos clásica.
Para tarifas y opciones de envío a Islas, ver más detalles
CARACTERÍSTICAS
CERRAR| Características | Unidad métrica |
|---|---|
| Peso | 52.0 kg |
| Diámetro de corte máximo | 90-120 mm |
| Presión aceite min./max | 150 - 210 bar |
| Flujo optimal del aceite | 08/22 l/m |
| Apertura maximal | 540.0 mm |
| ø pistón hidraulico | 80.0 - 35.0 mm |
| Gama de excavadoras | 1.0 - 2.0 ton |
| Dimensión del embalaje | 600.0*800.0*450.0 mm |
English
